샤프 톱 체인은 일종의 전송 체인으로, 일련의 톱 체인 플레이트와 가이드 플레이트가 교대로 조립된 구조를 특징으로 하며, 핀 또는 결합된 관절 요소를 통해 연결되어 인접 피치가 경첩으로 연결됩니다.
가이드 방식에 따라 분류된 커스프 체인은 외부 가이드 톱니 체인, 내부 가이드 톱니 체인, 이중 내부 가이드 톱니 체인으로 구분됩니다. 이 체인 구동 방식은 체인과 스프로킷 톱니의 정밀한 맞물림을 통해 동력과 운동을 전달하며, 정확한 평균 변속비를 보장합니다.
요약하면, 커스프 체인은 까다로운 환경에서 높은 동력 전달이 필요한 용도에 이상적이지만, 빈번한 급격한 역전이나 최소한의 소음 및 진동이 요구되는 작업에는 적합하지 않을 수 있습니다.

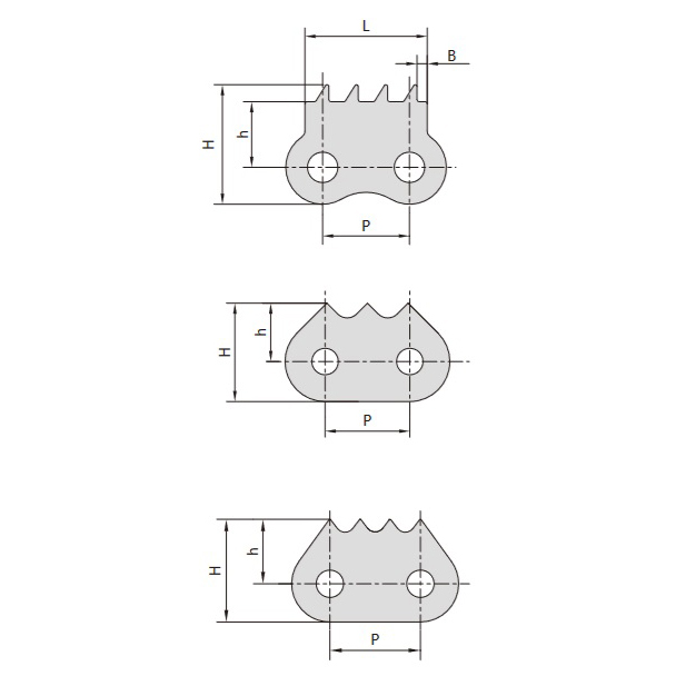
샤프 탑 체인 테크니컬 테이블
English
Français
Tiếng Việt
Italiano
Nederlands
Türkçe
Svenska
Polski
Română
Latviešu
한국어
Русский
Español
Deutsch
Українська
Português
العربية
Indonesian
Čeština
Suomi
Eesti
Български
Dansk
Lietuvių
Bokmål
Slovenčina
Slovenščina
Ελληνικά
Magyar
עברית